
The issue with the steering motor starter originates from the drawing itself, and it is not severe enough to impact steering operations. The primary issue is an incorrect wiring of NO/NC contacts. Occasionally, mistakes in wiring by the shipyard can occur, but in this case, the drawing itself contains the errors.
During the emergency generator load test, the No.2 steering motor, powered from the ESB, was operated. When it was stopped, it could not stop completely. At this time, the No.1 motor was still running. It was observed that the No.2 motor could be stopped only if the No.1 motor was stopped first. This issue was noted while the emergency generator ACB was on. Normally, when the emergency generator ACB is off, the No.2 motor stops properly as expected.
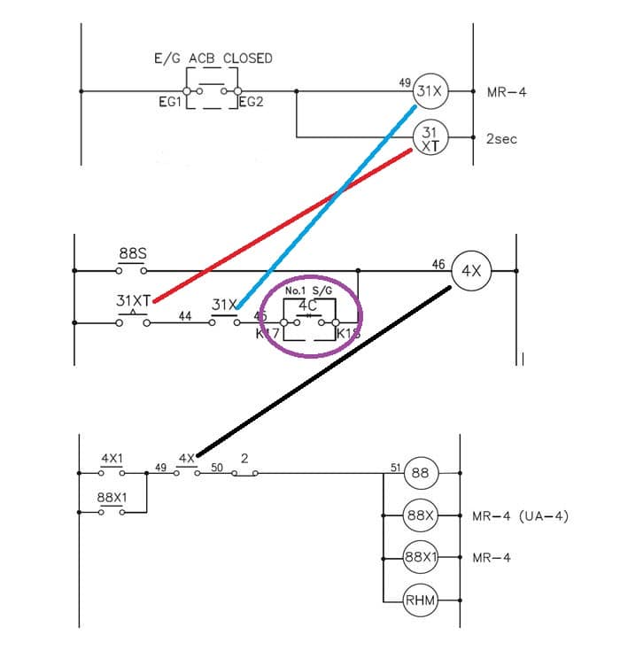
According to the circuit diagram, when the ESB ACB is closed, the 31X relay and 31XT timer will be ON. Their contacts will be closed, and if the 4C contact from the No.1 motor is closed, the No.2 motor will automatically start. The 4C contact from the No.1 motor closes when the No.1 motor is running.

During the emergency generator load test, since the ESB ACB was also closed and the No.1 motor was running, the No.2 motor received a continuous start signal and could not stop.
Although the exact reason for the ESB ACB’s open/close status is not clearly specified, it appears that in a blackout situation, the system is designed to minimize crew workload by automatically starting the No.2 motor. However, the use of the NO contact from the No.1 motor does not initiate auto-start.
If the ship experiences a blackout, standby generators are unavailable, and the emergency generator is running with the ESB ACB closed, the 31X relay will turn ON, and its contact will close. After 2 seconds, the 31XT timer contact will close. At this time, with no power from the MSB, the No.1 steering will stop, and the No.1 motor starter’s 4C contact will be de-energized. If the 4C contact is NC, the No.2 motor will start automatically. The drawing indicates that NO is required for auto-start, which is incorrect.
As previously mentioned, the error is in the NO/NC contact configuration. The challenge arises from the drawing being incorrect, which makes it hard to identify and correct errors easily if the wiring is incorrect externally. This situation is similar to what was experienced in the past with a different vessel. That vessel, which was eight years old, had an issue where pressing the starboard side emergency stop of the sludge pump would cause the No.1 Main Air Compressor to stop due to low pressure trips. The drawing was correct, but external wiring issues were discovered. The error was identified by checking the panel and verifying the wiring.
The drawings have been reviewed and updated to ensure accuracy for those unfamiliar with them. The steering motor starter panel is manufactured by KTE.


Kyaw Soe Aung (1900 HR, 4 July 2024, Panama Canel)
Leave a comment