Hydraulic System
ME engine ရဲ့ Hydraulic System က Electronically Controlled Mechanical hydraulic System ဖြစ်ပါတယ်။ Engine ရဲ့ Fuel oil injection၊ exhaust valve operation တို့ကို Engine Control System က Hydraulic power ကို သုံးပြီး ထိန်းချုပ်တာဖြစ်ပါတယ်။ Hydraulic oil အတွက် System lubricating oil ကို သုံးထားပြီး လိုအပ်တဲ့ hydraulic oil ကို Hydraulic Power Supply Unit က ပေးပို့ပါတယ်။
Hydraulic Power Supply Unit (HPS)
HPS unit မှာ Filter Unit၊ Pumps ၊ Safety valve block၊ Accumulators၊ Drip pan with leak sensor နဲ့ High pressure pipes တို့ ပါဝင်ပါတယ်။ System မှာ ရှိရမယ့် Hydraulic Oil Pressure ကို Auto mode မှာဆိုရင် Engine Control System က Engine Load ပေါ် မူတည်ပြီး သတ်မှတ်ပေးပါတယ်။ HPS က Hydraulic Cylinder Units (HCU) တွေကို Hydraulic oil ပို့ပေးတာပါ။ HCU အတွက် နောက်မှာ ထပ်ရှင်းပေးပါ့မယ်။
MAN B&W က ME Engine HPS Filter Unit အတွက် အသုံးများတာက Boll နဲ့ Kanagawa ပါ။ ကျွန်တော်တို့ တွေ့ဖူးနေကျ Lube oil auto back flushing filter တွေလိုမျိုးပါပဲ။ Boll filter က Multiple cartridge filter ဖြစ်ပြီးတော့ Kanagawa က single cartridge filter အမျိုးအစားဖြစ်ပါတယ်။ အဲဒီ Filter တွေကို ပြုပြင်ထိန်း သိမ်းဖို့ လိုအပ်တဲ့အခါ အရန် အနေနဲ့ သုံးဖို့ Redundant Filter တစ်ခု တွဲလျက် ရှိပါတယ်။


Hydraulic Pump Units
Hydraulic Pumps တွေက Electric Motor က မောင်းနှင်းတဲ့ Pump နဲ့ Engine လည်ပတ်မှုကိုပဲ ပြန်သုံးထားတဲ့ Engine driven pump တွေဆိုပြီး ရှိပါတယ်။ Electric Motor Driven Pump က နှစ်လုံး၊ Engine Driven Pump က သုံးလုံးဆီ ရှိတတ်ကြပြီး ၊ Engine အကြီးတွေမှာ Engine Driven Pump က ငါးလုံးအထိ ရှိပါတယ်။ Electric Driven Pump က Engine ရပ်နေတဲ့အချိန်၊ Engine စလည်တဲ့အချိန် တွေမှာ လိုအပ်တဲ့ Hydraulic power ကို ပေးဖို့ ဖြစ်ပါတယ်။ Engine မောင်းနေချိန်မှာတော့ Engine driven pump တွေကပဲ hydraulic oil supply ကို ပေး မှာပါ။ Pump တွေက Axial piston pump အမျိုးအစားတွေ ဖြစ်ပေမယ့် Engine driven pump က swash plate position ကနေ flow ကို ထိန်းချုပ် ပြောင်းလဲ လို့ရပြီး၊ Electric pump တွေကတော့ Fixed flow တွေ ဖြစ်ပါတယ်။
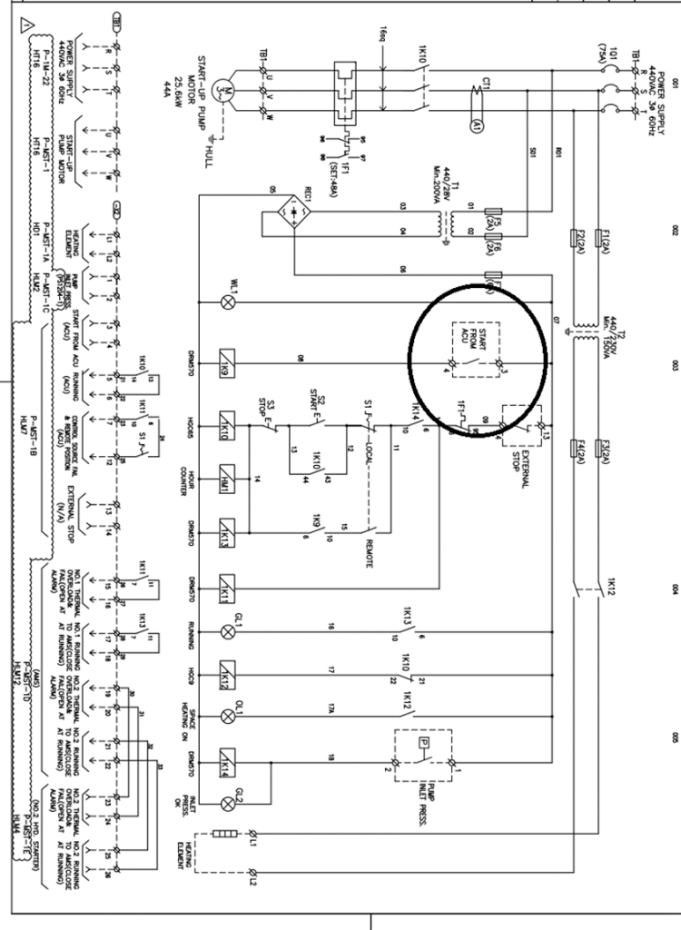
Pump တွေကို Auxiliary Control Unit MPC (ACU) က Control လုပ်ပါတယ်။ တကယ်လို့ Engine Driven Pump 5 လုံး ပါခဲ့ရင် No.4 နဲ့ No.5 ကို ECU (Engine Control Unit MPC) က control လုပ်ပါတယ်။Electric Driven Pump နှစ်လုံးမှာ တစ်လုံးကို Master ကျန်တစ်လုံးကို standby ဆိုပြီး သတ်မှတ်ပါတယ်။ Auto mode မှာဆိုရင် Engine Standby mode ပြောင်းရင် Master Pump က အမြဲလည်နေမှာပါ။ Standby pump က set point ဆီကို pressure တင်ဖို့ လိုလာမှ Built up လုပ်ဖို့ Master Pump နဲ့အတူ လည်ပါတယ်။ Engine Control System /Engine အမျိုးအစားပေါ်မူတည်လို့ Electric pump သုံးပုံးသုံးနည်း မျိုးကွဲ တွေကို အောက်ကအတိုင်း တွေ့နိုင်ပါတယ်။
Engine ကို စ ပြီး Standby mode ပေးတာနဲ့ Electrical driven pump တွေက စလည်ပါတယ်။ Engine လည် လို့ သတ်မှတ် load levelရ ရင် Electrical pump တွေက ရပ်မှာ ဖြစ်ပါတယ်။ အလားတူ Engine မောင်းနေတဲ့အချိန် rpm နည်းလာတဲ့အချိန် Engine driven pump တွေရဲ့ pressure နည်းလာချိန် Electric pump တွေက Engine driven pump နဲ့ တူတူ လည်မှာ ဖြစ်ပါတယ်။Finish with Engine command ပေး ရင် Electric pump ရပ်မှာ ဖြစ်ပါတယ်။ နောက်ဆုံးတမျိုးကတော့ Electric pump တွေက varia displacement type တွေဖြစ်ပြီး Engine driven pump တွေနဲ့ တွဲပြီး တောက်လျှောက် အလုပ် လုပ်တာ ဖြစ်ပါတယ်။
Engine ကို စ ပြီး Standby mode ပေးတာနဲ့ Electrical driven pump တွေက စလည်ပါတယ်။ Engine လည် လို့ သတ်မှတ် load levelရ ရင် Electrical pump တွေက ရပ်မှာ ဖြစ်ပါတယ်။ အလားတူ Engine မောင်းနေတဲ့အချိန် rpm နည်းလာတဲ့အချိန် Engine driven pump တွေရဲ့ pressure နည်းလာချိန် Electric pump တွေက Engine driven pump နဲ့ တူတူ လည်မှာ ဖြစ်ပါတယ်။Finish with Engine command ပေး ရင် Electric pump ရပ်မှာ ဖြစ်ပါတယ်။ နောက်ဆုံးတမျိုးကတော့ Electric pump တွေက varia displacement type တွေဖြစ်ပြီး Engine driven pump တွေနဲ့ တွဲပြီး တောက်လျှောက် အလုပ် လုပ်တာ ဖြစ်ပါတယ်။

ပုံမှန်အားဖြင့် Engine ရပ်နေတဲ့အချိန် ၊ လုံလောက်တဲ့ RPM မရသေးလို့ Engine Driven Pump တွေ pressure built up ကောင်းကောင်း မရသေးတဲ့အချိန်မှာ Hydraulic system pressure လုံလုံလောက်လောက် ရှိနေစေဖို့ Electric pump တွေ သုံးရတာ ဖြစ်ပါတယ်။ တစ်နည်း ပြောရရင် Electric pump တွေ သုံးတဲ့အချိန် က hydraulic oil consumption နည်းနေတဲ့အချိန် လို့ပြောလို့ရပါတယ်။ အဲဒါကြောင့် Engine driven pump တွေနဲ့စာရင် electric driven pump တွေက အရွယ်အစား သေးပါတယ်။


Figure 35 ACU command and feedback for HPS motor © MAN Diesel
Engine Driven Pump
Engine driven pump တွေက အပေါ်မှာဆိုခဲ့သလို Axial piston pump အမျိုးအစားတွေ ဖြစ်ပါတယ်။ အဲဒီ Pump တွေရဲ့ Swash plate position ကို ACU MPC တွေက proportional valve တွေက တဆင့် Control လုပ်ပါတယ်။ Hydraulic oil pressure ကို တည်ငြိမ်ပြီး အတက်အကျ နည်းစေဖို့ Nitrogen ဖြည့်သွင်းထားတဲ့ Accumulator တွေကို pump outlet တွေမှာ တပ်ဆင်ထားပါတယ်။ Engine rotation ကနေ gear wheels တွေနဲ့ pumps တွေကို ချိတ်ဆက်ပြီး လည်ပတ်စေတာမို့ hydraulic flow က Engine speed ကိုရော၊ swash plate position ကိုရော မူတည်နေပါတယ်။ ပြီးတော့ Engine က Ahead / Astern direction နှစ်မျိုးလုံးနဲ့ သွားနိုင် တာ ဖြစ်တဲ့အတွက် pump တွေကလည်း engine direction ပေါ်လိုက်ပြီး ပြောင်းပေးရပါမယ်။ ဒါတွေ ကို ACU က ထိန်းချုပ်ပေးတာ ဖြစ်ပါတယ်။
Engine driven pumps တွေအကုန်လုံးက ရွယ်တူတွေ ဖြစ်ပြီး Pump တစ်လုံး အလုပ် မလုပ်နိုင်တဲ့အခါ ကျန် နှစ်လုံးက Engine load 66% ထိ Hydraulic power supply ပေးနိုင်အောင် စီမံထားပါတယ်။ တကယ်လို့ electric power failure ဖြစ်လို့ swash plate ကို control မလုပ်နိုင်ခဲ့ရင် swash plate က Maximum ahead direction ကို ပြောင်းနေမှာ ဖြစ်ပါတယ်။


Hydraulic Power Supply (HPS) system မှာ working pressure 200 bar နဲ့ 300 bar ဆိုပြီး နှစ်မျိုး ခုချိန် ထိ ကျွန်တော် တွေ့ဘူးပါတယ်။ ရှေ့မှာဆိုခဲ့သလို HPS ကို Auto mode မှာ ထားထားရင် Engine load ပေါ်မူတည်ပြီး Engine control system က hydraulic pressure set point ကို သတ်မှတ်ပေးတာပါ။ Engine မောင်းနေစဥ်ကာလ တလျှောက် အဲဒီ Set point အတိုင်း engine driven pump တွေရဲ့ swash plate position တွေကို Control လုပ်တာပါ။ အဲဒီလို Control လုပ်ရမှာ pump တွေက Pressure control mode နဲ့ follow mode ဆိုပြီး နှစ်မျိုး ရှိပါတယ်။ Control pump အဖြစ် သတ်မှတ်ထားတဲ့ pump က 50% နဲ့ အမြဲ လည်နေတာ ဖြစ်ပြီး ရုတ်တရက် Pressure အတက်အကျ ကို ထိန်းညှိဖို့ အဓိက လုပ်ဆောင်ပါတယ်။ Set point pressure နဲ့ actual pressure တွေ ကွာဟချိန် ကြာလာတဲ့အခါ ကျန် follow mode pump တွေက လိုအပ်သလို position ပြောင်းပေးပြီး control pump က 50% ကို ပြန် ပြောင်းပါတယ်။



Hydraulic pumps တွေနဲ့ Hydraulic Cylinder Unit (HCU) ကြားမှာ system အတွင်း Hydraulic pressure မြင့်တက်လာတာ ကာကွယ်ဖို့အတွက် safety valve blocks ရှိပါတယ်။ Pressure relief valves၊ Check valves၊ Pressure transducer တွေပါဝင်ပါတယ်။ အောက်ကပုံမှာ ကျွန်တော့် ခုလက်ရှိ သင်္ဘောက safety valve block ကို drawing က valve position တွေနဲ့ တွဲပြီး နမူနာ ပြထားပါတယ်။ နောက်မှာပြထားတဲ့ Hydraulic line drawing တွေမှာ valve position ကို ကြည့်ပြီး ရှာလို့ ရပါတယ်။ တချို့ valve တွေကတော့ Drawing မှာ မဖော်ပြထားတာတော့ရှိပါတယ်။


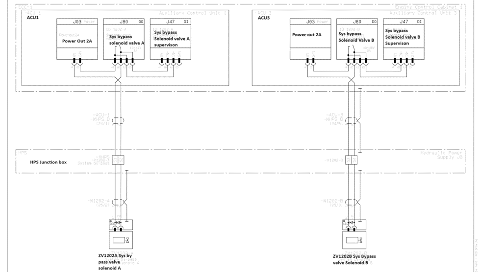
Valve position 311 နဲ့ position 310 က pressure relief valves တွေ ဖြစ်ကြပါတယ်။ ကွာသွားတာက Pos 310 တွေဖြစ်ကြတဲ့ ZV1202A နဲ့ ZV1202B တို့ကို ACU1နဲ့ ACU3 MPC တို့က မောင်းတာ ဖြစ်ပါတယ်။ သူတို့က Engine driven pumps တွေကို high pressure ကနေ ကာကွယ်ဖို့ဖြစ်ပါ တယ်။ Pressure 310 bar ရောက်တဲ့အခါ ACU က pilot valve တွေကို operate လုပ်ပြီး pressure relief လုပ်စေမှာပါ။ အဲဒီ Pressure relief valve တွေ ပွင့်တဲ့အခါ hydraulic oil က Engine driven pump တွေရဲ့ Suction side ကို ပြန်သွားမှာ ဖြစ်ပါတယ်။ Redundancy ရအောင်လို့ Pressure relief valve နှစ်ခု ထားပြီး တစ်ခုကို ACU 1 နောက်တစ်ခုကို ACU3 ကနေ တာဝန်ယူတာ ဖြစ်ပါတယ်။ valve တွေကို လိုအပ်ရင် adjust လုပ်လို့ရအောင် သူဘေးနားမှာ Ball valve (Pos 316) ရှိပါတယ်။ Ball valve (Pos 315) ကတော့ system ကို drain လုပ်ဖို့ အတွက် ဖြစ်ပါတယ်။
Pos 311 Pressure relief valve က pressure 315 bar မှာ ပွင့်အောင် mechanically adjust လုပ်ထားတဲ့ valve ဖြစ်ပါတယ်။ သူ ပွင့်ရင် hydraulic oil တွေက Electric pump တွေ မောင်းထားချိန်ဆိုရင် Main tank ထဲ ပြန်ဆင်းမှာ ဖြစ်ပြီး Engine driven pump တွေ မောင်းထားရင်တော့ pump suction side ကို ပြန်ဝင်မှာ ဖြစ်ပါတယ်။


တကယ်လို့ အကြောင်းကြောင်း ကြောင့် pump တွေ၊ high pressure pipe တွေကနေ ဆီတွေ ယိုလာခဲ့ရင် Pump cabinet အောက်ခြေ Drian pipe က တဆင့် drain pan ကို ရောက်ပါမယ်။ ယိုတဲ့ဆီ နည်းတယ်ဆိုရင် Drian pan ကတဆင့် main tank ထဲ ဆက်စီးမှာ ဖြစ်ပေမယ့် အရမ်းများနေရင် Drain Pan မှာ ဆီ level တက်လာပါမယ်။ Drian pan မှာ level switch နှစ်ခု တပ်ထားပြီး Drain Pan High High level switch activate ဖြစ်တဲ့အခါ Engine ကို shut down ပေးပါမယ်။ Hydraulic oil leak နဲ့ပတ်သက်ပြီး leak detection တွေက တခြားနေရမှာလည်း ရှိသေးတာမို့ alarm လာရင် alarm name ကို သေချာဖတ်ဖို့လိုအပ်ပါတယ်။





Figure 49 Electric Motor Driven Pumps Hydraulic Diagram
References
1) Hyundai-Man B&W Diesel Engine Main Engine Manual Volume II
2) MAN Diesel PrimeServ Academy
(This overview of ME Engine Control Systems is intended solely for educational purposes and knowledge sharing. It is not designed for commercial publication or professional use. The information provided aims to offer a general introduction to ME Engine Control Systems for those unfamiliar with the topic.
Please be aware that this overview is based on specific ME engines encountered and reflects current technology as of the date of writing. Due to the evolving nature of technology, there may be gaps, discrepancies, or inaccuracies in the information presented.
For the most accurate and up-to-date information, further research and consultation with industry experts are recommended. Corrections, additional insights, and feedback from the community are welcome to enhance the accuracy and usefulness of this material.)
Leave a comment